Digital and analog inputs and outputs example connections
The Remote module and Signal module can be used to control and or monitor digital and analog inputs / outputs such as switches, resistive sensors, pressure sensors secondary batteries etc.
The negative power cable (0 V return) of the system must be connected to the same battery negative as all input and output devices that are being controlled or monitored by that system.
Each load must have both a supply and return connection to the module.
ConnectionsDigital input

Figure 1. Example — Switch (Digital input)
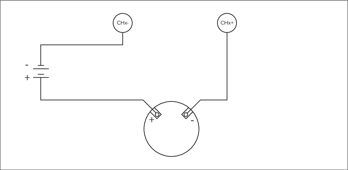
ConnectionsAnalog input4–20mA sensor

Figure 2. Example — Resistive sensor (Analog input )
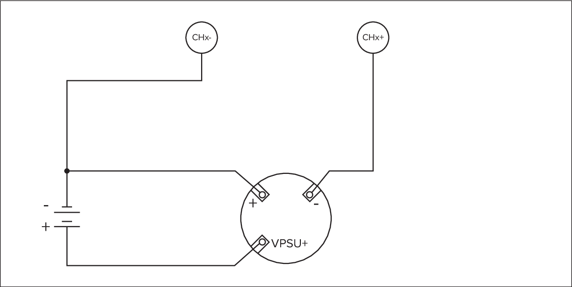
ConnectionsAnalog input4–20mA sensor

Figure 3. Example — 2 wire 4–20mA sensors

Figure 4. Example — 3-wire 4–20mA sensors

Figure 5. Example — 4 wire 4–20mA sensors